Vettura Lancia Appia I serie
Motore. Tipo 4 cilindri a V stretto – Alesaggio 68 mm – Corsa 75 mm. – Cilindrata totale 1090 c.c. – Rapporto di compressione 7,4 – Potenza tassabile (Italia) 13 Cv – Potenza effettiva Cv 38 – Numero giri max 4800 – Coppia max 7,2 kg/m a 3000 giri – Peso senz’acqua nè olio kg. 93 – Testa cilindri in lega leggera con sedi valvole riportate; corpo motore in lega leggera; blocco cilindri in ghisa speciale – Albero motore su due supporti – Bielle in acciaio con boccole per perno stantuffo in bronzo – Stantuffo in lega leggera con 3 anelli di tenuta e 2 raschiaolio.
Distribuzione. Due alberi nel basamento, comandati a catena, con tenditore idraulico brevettato. Valvole in testa, inclinate, comandate con puntalini e bilancieri.
Diagramma distribuzione. Con gioco di controllo valvole-bilancieri di mm. 0,8:
Apertura aspirazione 20 prima del P.M.S.
Chiusura aspirazione 40° dopo il P.M.I.
Apertura scarico 370 prima del P.M.I.
Chiusura scarico 2° dopo il P.M.S.
Gioco normale valvole a motore freddo: Aspirazione mm. 0,10 – Scarico mm. 0,15 – Controllo messa in fase: con dente del volano contrassegnato « O » in coincidenza con l’indicazione 1/4 incisa sulla feritoia scatola volano e spazzola spinterogeno in corrispondenza del contatto del cavo che va al cilindro 4, il cilindro n. 1 si trova a fine scarico ed inizio aspirazione. In tali condizioni, con gioco di mm. 0,8, la valvola di aspirazione del cilindro n. 1 deve iniziare l’apertura quando il segno « O » sul volano si trova a 2°, e cioè a circa 5 mm., prima dell’indicazione 1/4 segnata sulla feritoia della scatola. La valvola di scarico dello stesso cilindro deve chiudersi quando il segno « O » sul volano si trova a 2°, e cioè a circa 5 mm. dopo l’indicazione 1/4 segnata sulla feritoia.
Alimentazione. Serbatoio posteriore da 1. 38 (riserva di 1. 6) – Filtri nel serbatoio, nella pompa di mandata, nell’entrata del carburatore.
Carburatore Solex invertito, tipo 30 BI (con dispositivo di avviamento comandato con leva sotto il porta-apparecchi).
Registrazione carburatore: Diffusore 20 – Getto principale 100 – Getto emulsionatore 185 – Getto del minimo 50 – Getto dispositivo d’avviamento 130.
Accensione. A spinterogeno – Candele Marcili CW 175 F (14 x 1,2$) – Ordine di accensione 1-3-4-2 – Numerazione cilindri a partire dal ventilatore – Anticipo fisso 8° – Anticipo automatico 28° (con inizio a 1250 giri).
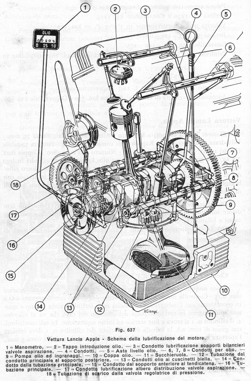
Lubrificazione. Capacità coppa olio 1. 3,3 più filtri e tubazioni – Pompa ad ingranaggi – Valvola limitatrice della pressione – Manometro.
Raffreddamento . Pompa centrifuga, radiatore, ventilatore – Pompa acqua coassiale con il ventilatore – Doppio termostato.
Avviamento. Motorino da HP 0,7. Denti pignone 8 – Denti corona 104.
Frizione. Monodisco a secco – Superficie di attrito cm2 98 – Carico sui dischi kg. 176.
Cambio velocità. Quattro rapporti – seconda, terza e quarta sincronizzate e R.M.
Pendenze max superabili con motore in coppia max: Prima 32 % – seconda 17,8 % – terza 10,4 % – quarta 6,4 % – R.M. 45 %.
Trasmissione. Albero unico tubolare con due giunti in gomma.
Ponte posteriore. In lamiera d’acciaio stampata – Scatola differenziale in lega leggera – Rapporto 9/41 – Capacità olio litri 1,5.
Telaio in corpo unico con la carrozzeria.
Guida. Scatola a vite senza fine e settore elicoidale. Rapporto vite-settore 4/48.
Sospensione anteriore. A ruote indipendenti con scorrimento verticale brevetto Lancia – Molle a spirale cilindrici – Ammortizzatori idraulici interni regolabili.
Sospensione posteriore. Balestre semiellittiche asimmetriche – Ammortizzatori tipo SABIF telescopici a liquido – Regolazione ammortizzatori: dado di registro accessibile dall’interno del baule togliendo la protezione di gomma.
Agendo verso destra si indurisce, verso sinistra si allenta – Liquido: Mobiloil Shock Absorber Light oppure Flying A Shock Absorber.
Assale anteriore: Trave rigida stampata a doppio T – Inclinazione asse fuso a snodo 1° – Inclinazione ruote 1° – Incidenza 0° – Convergenza mm. 04-2 misurata sul cerchio delle ruote.
Freni. Diametro tamburi mm. 230 – Superficie frenante 890 cm2 – Comando idraulico SABIF – Freno a mano sulle ruote posteriori – Serbatoio freni idraulici munito di pompa di pressione costante.
Ruote. Pneus 155-15″. Per esportazione 5,60-15. Cerchio 4 l/2 J x 15 – Pressione kg/cm2 1,3.
Impianto elettrico. Batteria 12 Volt, 35 A/h – Dinamo 130 W – N. 10 valvole di protezione dei vari circuiti.
Dimensioni. Passo mm. 2480 – Carreggiata anteriore 1178 e posteriore 1182
– Lunghezza max mm. 3865 – Larghezza max mm. 1420 – Altezza max mm. 1422
– Altezza minima da terra mm. 160 – Raggio minimo di volta mm. 4850 – Peso
a vuoto vettura completa di accessori, ruota di scorta, acqua ed olio kg. 820 – Peso max a pieno carico kg. 1160 – Consumo di carburante normale (CUNA) per 100 km. 1. 8 – Autonomia circa km. 450.
Lancia Appia II serie.
Motore. Quattro cilindri a V stretto, 68×75, 1090 cm3, rapporto di compressione 7,2, potenza tassabile Italia Cv 13, potenza eff. 43,5 Cv a 4.800 giri. Coppia max kgm. 7,8 a 3.000 giri. Distribuzione con 2 alberi nel basamento. Catena distribuzione con tenditore idraulico brevettato.
Diagramma distribuzione con gioco speciale di controllo di mm. 0,8: Aspirazione: apertura 4° prima del P.M.S. – chiusura 38° dopo il P.M.I. Scarico: apertura 38° prima del P.M.I. – chiusura 4° dopo il P.M.S.
« Gioco normale », a motore freddo : per valvole aspirazione mm. 0,15 e per valvole scarico mm. 0,20.
Controllo fase distribuzione.
Portare il dente del volano-motore segnato « O » in coincidenza con l’indicazione 1/4 incisa sulla feritoia scatola volano e la spazzola spinterogeno in corrispondenza del contatto del cavo che va al cilindro 4. In tali condizioni, con gioco di mm. 0,8, la valvola di aspirazione del cilindro n. 1 deve iniziare l’apertura quando il segno « O » sul volano si trova a 4°, e cioè a circa 1 dente prima dell’indicazione 1/4. La valvola di scarico dello stesso cilindro deve chiudersi quando il segno « O » si trova a 4°, e cioè a circa 1 dente dopo l’indicazione 1/4.
Carburatore. SOLEX invertito, tipo C32PBIC (con pompa accelerazione).
Regolazione carburatore : Diffusore 23,5 – Getto principale 120 – Getto emulsionatore 180 – Getto minimo 45 – Getto avviamento 130.
Accensione. Bobina Marcili B17L, e distributore Marelli S69D (destro). Candele AC45XL – Champion n. 5. Anticipo automatico 28° (con inizio a 1.250 giri). Anticipo fisso 8°.
Frizione. Monodisco a secco. Superficie di attrito cm2 112 x 2. Carico sui dischi kg. 236.
Cambio velocità. Rapporti nel cambio, rispettivamente in 1a, 2a, 3a , 4a , R.M. : 4,098 – 2,382 – 1,526 – 1 – 5,854.
Albero trasmissione. Unico tubolare con 2 giunti in gomma.
Ponte posteriore. Coppa ipoide 11 /46.
Freni. Ad espansione. Diametro tamburi mm. 230. Tamburi anteriori in lega leggera con anello d’attrito in ghisa; tamburi posteriori in ghisa.
Comando idraulico SABIF.
Freno a mano sulle ruote posteriori.
Dinamo 250 W, Marelli DN44B.
Carrozzeria. Struttura portante, 4-5 posti.
Dimensioni, pesi, prestazioni. Passo m. 2,51 – Carreggiata ant. m. 1,178 e post. m. 1,182 – Lunghezza max m. 4,010 – Larghezza max m. 1,485 – Peso a vuoto con accessori e ruota scorta kg. 900 – Peso max a pieno carico kg. 1250.
Velocità max con motore a 4.800 giri, rispettivamente in 1a, 2a, 3a , 4a , in km/h: 31 – 54 – 84 – 128.
Pendenze max. superabili con motore in coppia max., rispettivamente in (in percento): 33 – 18,5 – 11 – 6,7.
Consumo normale CUNA per 100 km. 1. 8.
Autonomia di crociera km. 450 circa.
Rifornimenti. Benzina 1. 38 – Acqua 1. 6 – Olio motore 1. 3 ( + 0,8 filtro e tubazioni) – Olio cambio 1. 1,45 – Olio ponte 1. 1,65 – Olio scatola sterzo 1. 0,25 – Liquido per freni 1. 0,30.
Maggiorazioni cilindro per montare stantuffi, maggiorati mm.
Diametro del cilindro per stantuffo di 1a maggiorazione (da ottenere con sola smerigliatura). 68,05 ±0,01
Diametro del cilindro per stantuffo di 2a maggiorazione 68,40 ±0,01
Diametro del cilindro per stantuffo di 3a maggiorazione 68,80 ±0,01
In accoppiamento con la misura dello stantuffo da montare per il gioco stabilito.
Diam. dei perni di manovella per montaggio con cusc. di 1^minorazione 45,736-45,746(*)
Diam. dei perni di manovella per montaggio con cusc. Di 2^minorazione 45,482-45,492(*)
Dimensioni obbligate dei perni di banco e manovella. I cuscinetti di banco e di manovella vengono forniti a dimensione finita e non sono adattabili.
I cuscinetti di banco, sono da calzare a caldo con attrezzo 012.303 riscaldando a 100°-150° il relativo sopporto. Lunghezza catena comando distribuzione tipo a rulli misurata con calibro 015.008 mm. 357-360
Autotelaio Appia 812.01
Questo «autotelaio» è costruito per carrozzerie fuori serie (generalmente di tipo sportivo).
Il numero di identificazione di questi «autotelai» ha il prefisso 812.01, ed è stampigliato al centro del cruscotto sotto il cofano motore, e riportato sulla targhetta situata sotto il medesimo.
Il motore ha rapporto compressione 8, e sviluppa 53 Cv a 5.200 giri.
La coppia massima è kgm. 8,8 a 3.500 giri.
Alimentazione con carburatore Weber 36DCLD3. Diffusore 22, getto principale 115, getto minimo 50, freno aria 230.
Cambio velocità a 4 rapporti, con leva centrale (leva sul pavimento).
Rapporto al ponte 11/45.
Guida con volante a sinistra, e posizione di guida abbassata.
Ruote: pressione pneumatici : con 2 persone: kg.1,5 anteriore e posteriore , con 4 persone kg.1,5 anteriore e kg.1,65 posteriore.
Apparecchi e comandi. Contagiri motore sulla tavola porta-apparecchi a lato del contachilometri.
Dimensioni, pesi, prestazioni. Passo m. 2,51 – Carreggiata ant. m. 1,178 – Carreggiata posteriore m. 1,182 – Lunghezza massima autotelaio m. 3,782 – Larghezza massima autotelaio m. 1,385 – Altezza minima da terra cm. 12 – Raggio minimo di volta m. 5,25 – Peso autotelaio a vuoto kg. 550.
Dati tecnici , descrizioni e disegni sono tratti dal “Il libro dell’autotecnico e autoriparatore” del Dott. Ing. Francesco Buffoni.
P.S. se qualche appassionato o operatore del settore necessità di dati tecnici e disegni , possono essere richiesti alla mia mail.



